作者:Digi-Key 北美编辑
关键词:信号,工作原理,滤波
【编者寄语】 模数转换器 (ADC) 将模拟世界连接到数字世界,因此是连接到现实世界的任何电子系统的基本部件。它们也是决定系统性能的关键因素之一。本系列文章探讨 ADC 的基础知识、各种 ADC 类型及其应用。
本文以来自Analog Devices的AD4110-1通用输入模数前端为例,简要介绍ΔƩ ADC的基本功能和内部模数转换机制。在此基础上,文中会深入探究周围的信号链,并为合适的数据采集系统提供一些关键规格。
ΔƩ ADC的结构
就在世纪之交之前,ΔƩ ADC抢走了模拟技术的主导地位。随着ΔƩ先进技术的广泛普及,主要的模拟信号和计算过程开始扎根于数字领域。ΔƩ ADC集成电路 (IC) 检查发现,超过80%的硅片空间用于执行数字功能。以数字电路为主的附带收获是稳健性和小尺寸。
这是怎么可能实现的?最初是低压模拟信号的直接数字化。进入数字领域后,数字电路几乎可以完全取代模拟滤波,同时还可以执行任何需要的增益功能(图1)。数字电路也随着每个半导体工艺节点而缩小。

图1:一个ΔƩ几乎包含所有用于滤波和增益的必要电路。在此示例中,ΔƩ ADC对小电阻温度检测器 (RTD) 电压进行感测并数字化。然后,它使用内部数字信号增益和滤波来呈现一个低噪声的24位数字结果。(图片来源:A Baker’s Dozen )
在图1中,24位ΔƩ ADC系统由一个模拟输入、一个中央数字引擎和一个数字I/O端子组成。转换器获取低压RTD信号,并通过数字滤波产生模拟输入的完整24位数字表示。这里没有通常在SAR-ADC电路中占主导地位的模拟增益模块,唯一的模拟滤波器是R1和C1的组合。是的,这是一个简单、便宜的一阶滤波器!
ΔƩ ADC的工作原理
ΔƩ ADC的基本拓扑具有一个与数字滤波器串联的ΔƩ调制器。除了这种基本拓扑外,大多数ΔƩ ADC还具有各种其他功能。但是,所有ΔƩ转换器都具有这种基本核心(图2)。

图2:就基本要素而言,每个ΔƩ ADC都有ΔƩ调制器、数字滤波器和抽取器。(图片来源:EDN)
在图2中,输入可以是正弦波或DC;此处将重点讨论正弦波输入。ΔƩ调制器将单周期正弦波数字化为1位流。ΔƩ调制器输出采样频率为Fs。尽管1位调制器转换似乎会产生高量化噪声,但实际上信号噪声已“整形”为较高的频率。这样便为数字滤波器输出端的低噪声、高分辨率转换铺平了道路。
在调制器的输出端,数字滤波器会累加ΔƩ调制器的1位结果并执行滤波器计算。数字滤波器输出信号以数字方式反射模拟输入信号,同时继续采用输出频率Fs。现在,该信号仅留在数字域中。数字低通滤波器或抽取滤波器会衰减高频噪声并减慢输出数据速率1/Fd。数字/抽取滤波器对调制器的1位代码流进行采样和滤波,使其成为较慢的多位代码。
虽然多数转换器只有一个采样率,但ΔƩ转换器却有两个:输入采样频率 (Fs) 和输出数据频率 (Fd)。根据公式1,这两个频率变量的比值定义系统抽取率 (DR):

ΔƩ调制器
ΔƩ调制器通过产生1位代码流来执行实际的模数转换。此过程从差分放大器开始(图3) 。

图3:ΔƩ ADC调制器输入级检测模拟输入与反馈DAC之间的增量。第二级在模拟信号上实现积分器功能(或积分)。(图片来源:EDN)
在图3中,差分放大器(三角)将模拟信号传输到积分器(积分)。在积分器的输出端,比较器以极高的采样率 (1/Fs) 区分积分器的输出与电压基准 (VREF)。此外,比较器会将1位流提供给1位数模转换器 (DAC)。然后,调制器会测量模拟输入信号与反馈DAC的模拟输出之间的差值。
ΔƩ >调制器通过积分器和DAC反馈回路的作用将噪声整形为更高的频率。图3中的公式(右下方)显示了传递方程:Yi = Xi-1 + (ei – ei-1)。调制器通过量化噪声 (ei) 将输入信号 (Xi) 数字化为1位输出代码 (Yi)。具体来说,调制器的输出 (Yi) 等于输入 (Xi-1) 加上量化噪声 (ei – ei-1)。该公式将量化噪声显示为当前误差 (ei) 减去调制器先前误差 (ei-1) 的差值。
数字和抽取滤波器
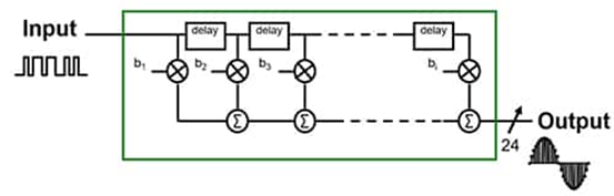
平均化是一种数字滤波形式,常用于低速工业ΔƩ ADC中。几乎所有工业ΔƩ ADC都包含一类称为sinc滤波器的平均滤波器,它们使用线性相位有限冲激响应 (FIR),后者是一种数字低通滤波器(图4)。

图4:此平均FIR数字滤波器中的系数 (bx) 均等于1。(图片来源:Digi-Key Electronics)
在图4中,调制器输出位流是此数字滤波器的输入,而调制器的采样时钟确定延迟时间。图4的FIR滤波器系数 (bx) 均等于1。利用这种平均算法,FIR数字滤波器可生成图3中模拟输入的低噪声、24位数字表示,并且以调制器的采样率 (1/Fs) 进行采样。然后,抽取滤波器使用DR降低输出数据速率。
在文献中,“抽取”一词是指系统性清除不需要士兵的军事行为。在数字电子器件中,抽取使用相同的概念来通过DR降低数字信号的输出数据速率 (1/Fd)。为此,快速而数字化的方法是系统性丢弃一些数字滤波器的输出样本(图5)。

图5:抽取过程按输出数据速率(1/Fd,图像底部)除以采样率 (1/Fs) 的系数来系统地减少数字24位输出的数量。(图片来源:Digi-Key Electronics)
根据公式1,图5中的抽取过程按DR抽取输出数据速率 (1/Fd)。
通过数字和抽取滤波器的事件可有效降低ΔƩ ADC噪声(图6)。

图6:此处显示的是时域中的数字滤波器输出 (a);叠加在抽取滤波器低通函数上的调制器噪声整形输出 (b);以及时域中的抽取器输出信号 (c)。(图片来源:EDN)
图6显示了通过数字/抽取滤波器时的数字信号。数字滤波器24位输出(图6(a))的运行速率与调制器采样率 (1/Fs) 相同。调制器已经将量化噪声整形为较高的频率(图6(b)),因此数字/抽取滤波器会捕获输出信号的低频部分。抽取滤波器(图6(c))输出产生原始模拟信号的低频数字表示。
数字扩展
ΔƩ ADC主要存在于数字域。现在,可以轻松添加数字可编程增益级、电流源、短路或开路输入信号指示器,以及各种串行输出接口(图7)。

图7:Analog Devices的AD4110-1为工业过程控制系统提供多种模拟前端功能。(图片来源:Analog Devices)
如图7所示,Analog Devices的AD4110-1 ΔƩ ADC具有许多数字增强功能,包括可编程输入端子、诊断功能和灵活的数据速率。输入就绪型传感器接口包括RTD和热电偶温度传感器。
AD4110-1具有ΔƩ ADC的基本核心,但该器件的数字加重功能支持一系列数字使能功能,从而让AD4110-1现已成为通用模拟前端 (AFE)。
与标准ΔƩ ADC一样,AD4110-1能够将来自热电偶、RTD和电桥的极低电压进行数字化。虽然这些功能通常需要额外的激励电路,但AD4110-1已将它们集成在电路板上。
例如,RTD需要一个精密电流源,并且该电流源与转换器的电压基准成比例(图8)。

图8:四线RTD和AD4110-1 ΔƩ ADC的适当线路连接。RTD激励电流可在0.1mA和1mA之间的六个级别上进行编程。(图片来源:Analog Devices)
在图8中,AD4110-1包含一个激励电流,该电流可以使用转换器的PGA_RTD_CTRL寄存器,在0.1mA和1mA之间的六个级别上进行编程。RTD电阻的激励电流来自引脚35。转换器通过引脚34与31高阻抗输入感测RTD两端的电压降。AD4110-1可编程增益放大器 (PGA) 提供0.2至24V/V的16个可编程增益。利用此功能,设计人员可以进一步将输入传感器补充到AD4110-1输入范围。其他辅助功能包括上拉/下拉电流以感测裸线的存在(对热电偶有用),以及增益校准和校正系数。
本文小结
ΔƩ ADC采用了前端调制器、FIR数字滤波器和抽取滤波器,可消除复杂的模拟前端电路,并能提供经过数字平均的高分辨率、低噪声数字输出信号。由于大部分电路均采用数字形式,因此可以通过先进的数字工艺节点轻松扩展,在保持较小的占位空间和低电路板复杂度的同时,增加更多的功能。
Analog Devices的AD4110-1 ΔƩ ADC充分利用了这种ADC架构的特性。AD4110-1具有ΔƩ ADC的基本核心,但该器件的数字加重功能支持一系列数字使能功能,从而让AD4110-1现已成为通用AFE,并且能真正直接用于RTD和热电偶。
有关ADC系列更多参考文章:
———————————————————–
如有任何问题,欢迎联系得捷电子Digi-Key客服团队。
中国(人民币)客服
- 400-920-1199
- service.sh@digikey.com
- QQ在线实时咨询 |QQ号:4009201199
中国(美金)/ 香港客服
- 400-882-4440
- 8523104-0500
- china.support@digikey.com

到微信搜寻“digikey”或“得捷电子”
关注我们官方微信
并登记成会员,
每周接收工程师秘技,
赚积分、换礼品、享福利
