电子工程师在选择行业范畴时,汽车电子设计和工业电子、消费电子相比,到底有哪些核心差异?域控制器为何能成为智能汽车的 “关键中枢”?一款靠谱的域控制器又该怎么设计?
此活动在杭州电子科技大学的线下工作坊直播
于11月8日下午1:30开始~

汽车电子与工业电子同属嵌入式领域但面向不同场景,导致在设计逻辑、性能要求与合规标准上出现显著差异。汽车电子强调在极端温度和持续震动条件下的长期可靠性,并对功能安全与硬实时性提出更高要求。工业电子更多面向相对稳定的现场环境,架构多样且维护与更新常由现场工程师执行。本文仔细分析汽车电子的核心逻辑与域控制器设计要点 ——
Back2School第7季全部精彩内容,以及海量下载资源,欢迎到活动页面了解更多
关键对比要点
工作温度与抗震动
汽车电子需支持更宽的温度范围与更高的抗振动等级,典型要求覆盖 -40°C 至 125°C 并能承受行驶中的冲击与颠簸。工业电子的常见温度范围通常在 -20°C 至 85°C,抗振动设计相对宽松。
行业标准与硬实时性
用于汽车的元器件必须满足 AEC‑Q 系列 与 ISO 26262 等车规强制认证,系统响应常要求达到毫秒级甚至更严格的确定性。工业电子的标准更加分散,实时性要求因应用而异。
软件架构与更新维护
汽车电子的软件架构高度标准化,广泛采用 AUTOSAR,并常通过 OTA 面向终端用户进行远程更新。工业电子架构多样且缺乏统一标准,现场维护与离线升级更为常见。
VCU 主控与汽车 MCU 特点

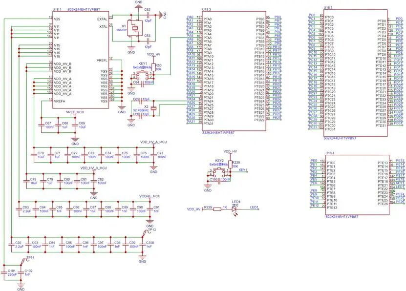
整车控制器 VCU 的主控需要兼顾功能安全、通信能力與车规适配性。以 NXP 的S32K344 为例,其特性包括 双核锁步与 ISO 26262 ASIL D 级别的功能安全、兼容 AUTOSAR 的软件生态与经预认证的驱动、支持 2.7V–5.5V 的宽电压供电、内置硬件安全引擎与安全启动机制,以及多路 CAN FD 与车载以太网等车规外设。典型车载子系统由 PMIC、SBC、EEPROM、QSPI FLASH、以太网/CAN/LIN PHY、ADC 与 GPIO 等模块共同构成。

硬件设计与电源安全要点
MCU 设计需处理多个电源域并严格按厂商典型电路布局引脚与电源分区。SBC 或电源管理芯片负责多路 LDO/DC‑DC、看门狗喂狗與安全控制,當看門狗未被正确喂养時,SBC 可触发复位或断电以保护系统。通过硬件开关和 FS 引脚联动可以在异常时切断 CAN 或功率通道进入安全态,保障整车通信与电源安全。

在MCU电路中,将MCU所有IO的顺序引出,这里S32K344有几个电源域:V25 2.5V电源域,V111.1V的电源域,V15 1.5V的电源域, HV_B HV_A IO电源域。参考官方提供的典型应用电路,即可完成MCU部分的设计。
软件架构与实战验证要点
汽车软件栈呈现从底层寄存器访问到 AUTOSAR MCAL、RTOS 與应用层的分层结构,开发流程包括 IDE 编译、烧录與在线调试。典型验证步骤包括车载以太网连通性测试与通过 ping 验证网络稳定性,以及功能安全演示如修改喂狗逻辑以观测 SBC 导致的复位与 CAN/功率保护机制。实战验证可直观体现安全设计的落地效果并检验系统在异常场景下的响应。

总结与学习建议
汽车电子在可靠性、功能安全、实时性與标准化方面显著高于工业电子,开发者应优先掌握车规 MCU 特性、电源与安全设计、AUTOSAR 软件栈與现场验证方法。结合开发板与实战案例进行反复测试与调优,可快速提升在车规系统开发中的实战能力并满足行业高标准。
******
如有任何问题,欢迎联系得捷电子DigiKey客服团队。
中国(人民币)客服
- 400-920-1199
- service.sh@digikey.com
- QQ在线实时咨询 |QQ号:4009201199
中国(美金)/ 香港客服
- 400-882-4440
- 8523104-0500
- china.support@digikey.com

到微信搜寻“digikey”或“得捷电子”
关注我们官方微信
并登记成会员,
每周接收工程师秘技,
赚积分、换礼品、享福利